Descrizione
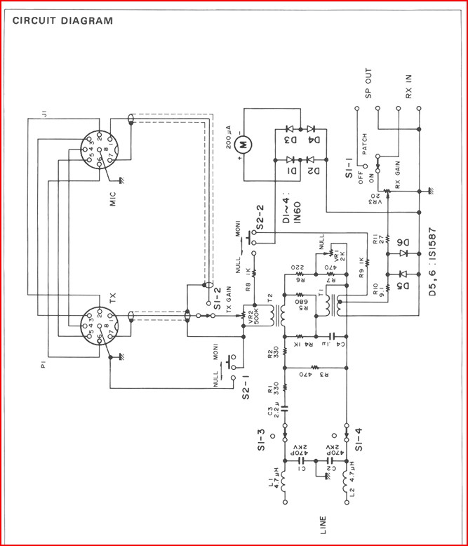
| Type: | Phone patch controller |
| Impedance/connectors: | Line: 600 ohm / Screw terminals Receiver input: 8 ohm / Screw terminals Speaker output: 8 ohm / Screw terminals Microphone: 50 Kohm / 4-pin (Metal locking ring connector) |
| Power supply:- | – |
| Current drain / power consumption: | – |
| Dimensions (W*H*D): | 152*57*146 mm (6*2.25*5.75″) |
| Weight: | ? g (? oz) |
| Manufactured: | Japan, 19xx-19xx (Discontinued) |
Compatibile con TS-940.TS-930, TS-820, TS-520





